Off-road клуб "Протектор"
Www.Irkutsk-4x4.Ru => Подготовка автомобиля => Ремонт и обслуживание => Тема начата: Fly-fisher от 09:41, 07.03.2010
-
Начало этой истории для меня уже стало привычным. Появилась навязчивая идея прибрать соленоиды куда-нибудь понадежнее и поставить выключатель плюса, дабы не намотать на лебедку бампер в случае залипания соленоида.
Перелопатил все профильные сайты, шуровал поиском. Результат отрицательный, только общие фразы, никакой конкретики. На покатушках заглядывал в машины корифеев, ничего из того, что помогло бы мне полностью реализовать мои идеи, не увидел. Однако, опытный взор промышленного шпиона засек таки целый ряд интересных моментов. Уже сейчас можно в моем Прадеде разглядеть отголоски всем известных машин.
Начал с того, что облазил с фотиком весь моторный отсек. Потом в домашних условиях прикидывал, что куда приткнуть:
(http://www.radikal.ru/)
(http://www.radikal.ru/)
(http://www.radikal.ru/)
Итак, выключатель плюса.
Изготовлен кронштейн для выключателя массы СОАТЭ 1300.3737:
(http://www.radikal.ru/)
(http://www.radikal.ru/)
Поскольку основная часть нареканий к выключателю относится к ненадежной изоляции корпуса, то крепление электрически развязывается с массой:
(http://www.radikal.ru/)
Выключатель установлен на кронштейн:
(http://www.radikal.ru/)
Конструкция закреплена в моторном отсеке с сохранением возможности установки второго аккумулятора впоследствии:
(http://www.radikal.ru/)
(http://www.radikal.ru/)
Так выглядит после подключения:
(http://www.radikal.ru/)
Контакты изолированы обрезками шлангов.
Приступаем к блоку соленоидов.
От корпуса оставлена только пластиковая крышка, притом она существенно доработана.
Изготовлен кронштейн, он же монтажная площадка соленоидов, он же носитель герметичных выводов:
(http://www.radikal.ru/)
Смонтированы соленоиды, проводка, кабели:
(http://www.radikal.ru/)
Кабели из комплекта не подошли по длине, да и качество их оказалось сомнительным. Изготовлены новые кабели из сварочных проводов сечения 35, медные наконечники посажены пайкой и дополнительно накернены затупленным зубилом. Длина кабеля массы (от аккумулятора к лебедке) и кабелей от соленоидов к лебедке по 1000мм, кабель +12в от выключателя плюса к соленоидам 2300мм. Имеется еще коротыш 250мм от плюса аккумулятора к выключателю массы.
Общий вид собранного блока соленоидов:
(http://www.radikal.ru/)
(http://www.radikal.ru/)
Это проводка управления:
(http://www.radikal.ru/)
Через кнопку (без фиксации) по одному проводу подается минус на выключатель массы, по второму проводу на светодиод приходит сигнал +12в с выключателя, когда он в положении «вкл».
Живет кнопка здесь:
(http://www.radikal.ru/)
И вот так светодиод рассказывает, что лебедь запитан:
(http://www.radikal.ru/)
Блок соленоидов установлен:
(http://www.radikal.ru/)
(http://www.radikal.ru/)
Так встал разъем для пульта (чистейший плагиат):
(http://www.radikal.ru/)
Лебедка установлена:
(http://www.radikal.ru/)
Упс, накладочка вышла, вот она:
(http://www.radikal.ru/)
Следующий шаг за «Сафари»…
-
:ok: Здорово. Для себя так и надо делать. Только не понятно для чего использовал изолированое крепление с включателем массы? Есть более простые решения для вкл. и выкл. питания лебедки. Я так понимаю блок для соленоидов изготавливался с целью водоизоляции? Так вот вода туда все равно попадет, раз он стоит под капотом. Видимо мало изучил авто товарищей. У некоторых блок выведен в салон, где контакт с водой проктически исключен. Ну а если устонавливать соленоиды под капот, то лучше обеспечить их хорошую вентеляцию. И...........все заканчиваю. :vava:
-
Всем привет. Эх хорошо когда под капотом стока места! Я как не старалсо блок туды запихать - ничего не вышло :pardon: . А вот выключатель лебёдки и переключатель батарей купил от катеров - они помельче будут.
На выключатель лебёдки есчо предохранитель поставил на 300А.
-
:ok: Здорово. Для себя так и надо делать. Только не понятно для чего использовал изолированое крепление с включателем массы? Есть более простые решения для вкл. и выкл. питания лебедки. Я так понимаю блок для соленоидов изготавливался с целью водоизоляции? Так вот вода туда все равно попадет, раз он стоит под капотом. Видимо мало изучил авто товарищей. У некоторых блок выведен в салон, где контакт с водой проктически исключен. Ну а если устонавливать соленоиды под капот, то лучше обеспечить их хорошую вентеляцию.
Крепление с включателем плюса изолировал, так как единственный критичный трабл этого типа выключателей - сомнительная изоляция корпуса, а как следствие КЗ. Такова информация из профильных форумов. Коллеги изолируют крепление.
Число других доступных вариантов выключателей, работающих с такими токами, очень ограничено. В том числе судовые, но они дороже и ручные. Выключатель СОАТЭ работает как дистанционно, так и от руки. Несмотря на то, что он типа на 50А, нормально справляется со своими задачами. Мнения по поводу СОАТЭ разделились на две группы. Это мнения тех, кто успешно использует их и не заморачивается, и тех кто до соплей спорит, что их не достаточно для 300-400А, которые может выдавать лебедка. Я присоединился к первым.
Соленоиды в салон тащить не стал. Уж больно хлопотно, да и потери на кабелях больше. Решил поэкспериментировать и для начала блок герметизировал. Топить машину вроде пока в планах нет, а дальше посмотрю. Если будут проблемы с зачерпыванием воды или конденсатом, наделаю снизу дырок. Для вентиляции и слива будет достаточно, а при погружении вода быстро набираться не будет. Если будет проблема с перегревом, поставлю вертушку. Может и вообще крышку сниму. А может буду думать о полной герметизации и выводом канала вентиляции в шнорк.
На выключатель лебёдки есчо предохранитель поставил на 300А.
А не мало 300А? Лебедь может выдать пиковые и 400А, и 450А.
В какую цепь поставили предохранитель? Уж больно провода к нему хилые подходят. Точно не 35.
-
Между делом поставил передние кронштейны для натяжки кусторезов (FREEDOM, Привет! :) ):
(http://www.radikal.ru/)
И головную оптику DEPO для правостороннего движения. Уж больно японская раздражала!
(http://www.radikal.ru/)
-
А не мало 300А? Лебедь может выдать пиковые и 400А, и 450А.
В какую цепь поставили предохранитель? Уж больно провода к нему хилые подходят. Точно не 35.
С предохранителем пока проблем не было. Провода 2Ga - 33кв.мм. А куда больше-то? На лебёдке родные намного меньше.
-
С предохранителем пока проблем не было. Провода 2Ga - 33кв.мм. А куда больше-то? На лебёдке родные намного меньше.
Видимо, на фотке они тоньше кажутся :)
-
Привет все понравилось только кнопка включение массы слабовата по току. У меня был казус с выходом из стоя такой кнопки, контакты внутри горят . :ok:
-
Привет все понравилось только кнопка включение массы слабовата по току. У меня был казус с выходом из стоя такой кнопки, контакты внутри горят . :ok:
Алексей, привет!
А там чё, ток большой чтоли? Вроде, только управляющее напряжение? И включается только на долю секунды?
-
А если соленоид в управляющем механизме замкнёт и не отключится? У меня разрыв питания идёт судовым механическим выключателем на 350А.
-
А если соленоид в управляющем механизме замкнёт и не отключится? У меня разрыв питания идёт судовым механическим выключателем на 350А.
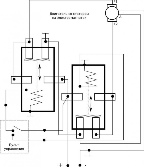
Для того, чтобы не намотать на лебедку бампер в случае залипания соленоида, в разрыв кабеля +12В установлен дистанционный выключатель массы СОАТЭ 1300.3737. Он управляется кнопкой из салона или вручную.
-
1. +1 в репутацию за качество отчета! :ok:
2. по своему опыту: проблема с соленоидами как правило кроется в самих соленоидах.
т.е. либо некачественные соленоиды либо условия эксплуатации. Место расположения - вторично.
-
2. по своему опыту: проблема с соленоидами как правило кроется в самих соленоидах.
т.е. либо некачественные соленоиды либо условия эксплуатации. Место расположения - вторично.
Если соленоиды находятся в салоне - то какая разница в условиях эксплуатации. :pardon: Если ты Витя хоть раз разбирал вышедший из строя соленоид, то понял бы про что я говарю. Внутри все ржавеет и окисляется от влаги. :secret:
-
в библиотеке :bear:
-
Примерно так, после нескольких бродов в районе Хубсугула
(http://s2.postimage.org/C3Wl9.jpg) (http://www.postimage.org/image.php?v=TsC3Wl9)
(http://s3.postimage.org/mZoTJ.jpg) (http://www.postimage.org/image.php?v=PqmZoTJ)
Но если есть хороший нож, кусочек шлифшкурки и желание, можно развальцевать корпус соленоида, отчистить коррозию и ... завальцевать, будет работать, долго (на герметике). Вся операция с двумя соленоидами занимает не больше часа.
(http://s1.postimage.org/C_OQi.jpg) (http://www.postimage.org/image.php?v=gxC_OQi)
(http://s2.postimage.org/C52b9.jpg) (http://www.postimage.org/image.php?v=TsC52b9)
Но новые поставить быстрее :mosking:
-
Если соленоиды находятся в салоне - то какая разница в условиях эксплуатации. :pardon: Если ты Витя хоть раз разбирал вышедший из строя соленоид, то понял бы про что я говарю. Внутри все ржавеет и окисляется от влаги. :secret:
Рома, ты чичас это кому сказал ? :rus:
Я с соленоидами успел "Позаниматься лубовью много раз" - и конечно же разбирал и герметизировал и много чего еще делал. :bear: . Забыл о них - только когда поставил соленоиды - моноблок - с 9500 комапом. Установлены в районе радиаторной решетки. с момента установки 1,5 года назад ни разу внимания к себе не требовали: Условия эксплуатации известные.....
-
Забыл о них - только когда поставил соленоиды - моноблок - с 9500 комапом
А моноблок от КомАп 9500 пойдет на другие лебедки 9500? У меня махровый Кетай :rus:
-
А моноблок от КомАп 9500 пойдет на другие лебедки 9500? У меня махровый Кетай :rus:
Канечна пойдет! Только подороже цена. Но ИМХО надежность выше.
-
Канечна пойдет! Только подороже цена. Но ИМХО надежность выше.
Витек, чем выше то надежность? Те же яйца, только в другом корпусе, причем тоже водопроницаемом. :rtfm: Короче при встрече все обсудим. :bear:
-
Витек, чем выше то надежность? Те же яйца, только в другом корпусе, причем тоже водопроницаемом. :rtfm: Короче при встрече все обсудим. :bear:
Обязательно Обсудим :bear: :bear:
Понимаешь, ... Надежность это субъективно-объективная характеристика.
В моем случае , с Обычными соленоидами имел проблемы с момента приобретения и регулярно, а с моноблоком - ни разу за 1,5 года. Блок соленоидов в обоих случаях - находится в одном и том же месте - за решеткой радиатора.
-
блоки таких соленойдов есть в магазине Полный Привод , цена 4000 простой и 6000 со встроенным блоком радиоуправления.
-
блоки таких соленойдов есть в магазине Полный Привод , цена 4000 простой и 6000 со встроенным блоком радиоуправления.
Это, ты че, на нашем с Витькой разговоре бизнес делаешь - процент давай. :vava:
-
я вашу головную ьоль на себя беру....
чтобы вы не :padonak: со старого обрасца лебедками -- вот вам - новый девайс... :slow:
-
Присоединяюсь к виктору, моносоленоиды рулят.
-
блоки таких соленойдов есть в магазине Полный Привод , цена 4000 простой и 6000 со встроенным блоком радиоуправления.
Пока брошу в ЗИП один простой соленоид, но как только хотя бы один сдохнет, приду за моноблоком.
-
Результат:
(http://www.radikal.ru/)
-
а где фотка оторванного троса? :sarcastic_hand:
-
а где фотка оторванного троса? :sarcastic_hand:
А на чей фотик сымали? :mosking:
-
а где фотка оторванного троса? :sarcastic_hand:
Вот она, только трос не оторванный. Просто Китайцы решили не заморачиваться заделкой коренного конца %) .
(http://www.radikal.ru/)
(с) Навигатор
Хорошо, что проявилось на шашлыкинге: маленькая неприятность и повод для веселья. В другой ситуации могла бы быть полная %па.
P.S.: к выходным лебедка будет в строю. И шнорк :) .
-
to Fly-fisher: Хороший отчет. Сам себе сейчас похоже китайца взял, только 6000-го. Буду руководствоваться твоей инструкцией по установке. К слову: перед покупкой общался с коллегами, которые имели дело с китайскими лебедками: очень рекомендуют заменить смазку в редукторе и поменять щетки.
У тебя случайно не осталось чертежика для блока соленоидов?
-
...очень рекомендуют заменить смазку в редукторе и поменять щетки.
У тебя случайно не осталось чертежика для блока соленоидов?
Щетки менять не стал, но лебедку полностью перебрал, заменил смазку на Castrol MS3 Grease. Собрал на герметик-прокладку, все что можно загерметизировал. Остались маленькие отверстия внизу для слива: все равно будет набирать через барабан.
Вот инфа про смазку:
http://www.castrol.com/liveassets/bp_internet/castrol/castrol_russia/STAGING/local_assets/downloads/c/castrol_ms3_grease.pdf (http://www.castrol.com/liveassets/bp_internet/castrol/castrol_russia/STAGING/local_assets/downloads/c/castrol_ms3_grease.pdf)
Сейчас уже знаю, что выбор не самый удачный, но, полагаю, на сезон хватит. Потом переборка. Заодно со щетками разберусь.
Схема есть. Без претензий на качество, делал для приватного применения :) :
 |
Моя схема |
Вот сторонние картинки (не помню откуда):
 |
Схема 1 |
 |
Схем 2 |
-
ВОПРОС К БЫВАЛЫМ:
Вчера закрепил коренной конец и заново заполнил барабан. Это оказалось непросто: при малейшем ослаблении при намотке трос на барабане «распухает» и его приходится перематывать :wall: . Ему явно не хватает эластичности.
Пройдет ли это и при каком условии? Может нужно перемотать полностью распущенный по прямой трос? Вчера при смотке трос лежал комом под ногами.
Может, необходимо смотать под нагрузкой (на Маритуйской горке %) )?
И еще вопрос к тем, у кого лебедки «скрытой» установки: лебедка явно не отличается хорошим доступом к тросу и к выключателю свободной размотки. Как это сказывается в условиях реальной эксплуатации? Особенно когда время дорого?
-
У меня скрытая пратически , нормально работется , присмотр за тросом нужен в любом случае.
Трос перематываю под небольшой нагрузкой "ручником.
-
У меня скрытая пратически , нормально работется , присмотр за тросом нужен в любом случае.
Трос перематываю под небольшой нагрузкой "ручником.
"Ручником" в смысле вручную? Или прицепиться к сосне, затянуть ручник и начать мотать? :wacko2:
-
ВОПРОС К БЫВАЛЫМ:
И еще вопрос к тем, у кого лебедки «скрытой» установки: лебедка явно не отличается хорошим доступом к тросу и к выключателю свободной размотки. Как это сказывается в условиях реальной эксплуатации? Особенно когда время дорого?
Следить в обяз надо. Закус троса - никак не хорошо, как для процесса размотки, так и для троса самого. Думается мне, что лебедь должна быть открыта для доступа, хотя бы для визуального. Лучше, когда можно подлезть руками. Ибо в пылу соревок, можно закиснуть в болоте добираясь до лебедки
Перетряхнул свою лебедку, набил вот этой http://www.amag.ru/extra_catalog/7/8/72377.html (http://www.amag.ru/extra_catalog/7/8/72377.html) В процессе сборки возник вопрос, может и очевидный. Когда ручка в положении IN ротор двигателя должен вращаться вместе с барабаном? или я что то путаю? Правда вот пока пишу сообщение подумалось, что крутя ротор рукой, я вряд ли замечу движение барабана.
-
Следить в обяз надо. Закус троса - никак не хорошо, как для процесса размотки, так и для троса самого. Думается мне, что лебедь должна быть открыта для доступа, хотя бы для визуального. Лучше, когда можно подлезть руками. Ибо в пылу соревок, можно закиснуть в болоте добираясь до лебедки
Перетряхнул свою лебедку, набил вот этой http://www.amag.ru/extra_catalog/7/8/72377.html (http://www.amag.ru/extra_catalog/7/8/72377.html) В процессе сборки возник вопрос, может и очевидный. Когда ручка в положении IN ротор двигателя должен вращаться вместе с барабаном? или я что то путаю? Правда вот пока пишу сообщение подумалось, что крутя ротор рукой, я вряд ли замечу движение барабана.
Визуальный доступ нормальный. Даже поллезь руками можно, но очень проблематично, тем более второпях и в болоте. Что делать с жестким тросом, который никак не хочет принимать форму барабана и распухает при ослаблении?
Когда "все включено" барабан должен крутиться с ротором. но заметить визуально сложно. Передаточное отношение офигенное!
С продукцией, которой торгует AGA я стараюсь не связываться и придерживаюсь настоящих брендов. Вот, посмотри:
http://irkutsk-4x4.ru/index.php?topic=6104.0 (http://irkutsk-4x4.ru/index.php?topic=6104.0)
Какая то фигня, присутствующая в этой смазке, при попадании воды каменеет.
-
Дополнение для тех, кто будет эту тему использовать как руководство по установке:
Длины кабеля массы (от аккумулятора к лебедке) 1000мм не хватило!
Это стало известно после установки. Изготовлен новый кабель 1200мм.
Итак, длины кабелей:
1. Масса (от аккумулятора к лебедке) - 1200мм, наконечники с ответстием 8мм
2. Кабелеи от соленоидов к лебедке (3 шт.) - по 1000мм, наконечники с ответстием 8мм
3. Кабель +12в от выключателя плюса к соленоидам - 2300мм, наконечник один 8мм, второй 10мм
4. Коротыш от плюса аккумулятора к выключателю массы - 250мм, наконечник один 8мм, второй 10мм
-
7 метров толстенных кабелей...
Сколько в них потеряется электричества?
-
:) В толстенных как раз не потеряется. А вот через тонкие необходимое лебедке ведро электронов просто не пролезет. :)
-
7 метров толстенных кабелей...
Сколько в них потеряется электричества?
А как по-твоему назад лебедки ставят? Или аккумуляторы для улучшения развесовки в корму выносят?
-
:) В толстенных как раз не потеряется. А вот через тонкие необходимое лебедке ведро электронов просто не пролезет. :)
Я не электрик, конечно, но в ЛЭП на транспортировку электричества - потери значительные точно.
А в случае неработающего двигла на сколько минут хватит родного аккума?
-
Ну вот и соорудил себе имитацию силового бампера под Hi-Lift.
Надеюсь, временно :)
(http://www.radikal.ru/)
(http://www.radikal.ru/)
(http://www.radikal.ru/)
-
Выключатель СОАТЭ работает как дистанционно, так и от руки. Несмотря на то, что он типа на 50А, нормально справляется со своими задачами. Мнения по поводу СОАТЭ разделились на две группы. Это мнения тех, кто успешно использует их и не заморачивается, и тех кто до соплей спорит, что их не достаточно для 300-400А, которые может выдавать лебедка. Я присоединился к первым.
Почему держит этот выключатель токи 300-400 ампер
он не разрывает 300-400 ампер под нагрузкой в нем не происходит искрение и оплавление контактов как в том же соленойде от лебедки.
Он включает и отключает питание лебедки когда лебедка выключена.
если начать включать и выключать выключатель массы под нагрузкой
то он конечно начнет грется гореть и выдет из строя.
:ok:
-
Почему держит выключатель СОАТЭ токи 300-400 ампер
он не разрывает 300-400 ампер под нагрузкой, в нем не происходит искрение и оплавление контактов как в том же соленойде от лебедки.
Он включает и отключает питание лебедки когда лебедка выключена.
если начать включать и выключать выключатель массы под нагрузкой
то он конечно начнет грется гореть и выдет из строя.
:ok:
Первое достойное объяснение, которое я вижу по этому вопросу :ok:
Однако, это значит, что если врубать лебедку на полной загрузке, то соленоиды и щетки сдохнут быстрее? Типа сначала маленько трос стравить? Ну, если не висишь вертикально на Маритуйской горке %)
-
Выключатель СОАТЭ работает как дистанционно, так и от руки. Несмотря на то, что он типа на 50А, нормально справляется со своими задачами. Мнения по поводу СОАТЭ разделились на две группы. Это мнения тех, кто успешно использует их и не заморачивается, и тех кто до соплей спорит, что их не достаточно для 300-400А, которые может выдавать лебедка. Я присоединился к первым.
Почему держит этот выключатель токи 300-400 ампер
он не разрывает 300-400 ампер под нагрузкой в нем не происходит искрение и оплавление контактов как в том же соленойде от лебедки.
Он включает и отключает питание лебедки когда лебедка выключена.
если начать включать и выключать выключатель массы под нагрузкой
то он конечно начнет грется гореть и выдет из строя.
:ok:
Леха, но ведь соленоид от лебедки, тоже не разрывает 300-400 ампер под нагрузкой. Что более надежно?
-
Народ есть теристоры толь на 400А толь на 700А, не помню точно можно применить вместо солиноидов? Схемку бы глянуть подключения, а то прикидывал чет КЗ получается! :)
-
Тиристоры не подойдут.
-
Обоснуй!
-
Как упрявляется тиристор? Включается управляющим сигналом на отдельный вход. А выключается? Тыж электрикой вроде как занимаешься, должен сообразить. И это еще про падение напряжения ни слова.
-
Но вообще рациональное зерно в этом есть. Только взять нужно мощные полевики, ампер на 50, соединить в параллель штук по 10, подумать над монтажом... Себестоимость блока управления 2-3 тысячи получится. Плюс расходы на разработку. В итоге получится водостойкость, отсутствие контактов и движущихся частей.
-
кстати плюс 1. мосфеты более в тему в плане постоянного тока ;)
во например, просто мизерное тепловыделение http://www.chip-dip.ru/about/235/140616.aspx (http://www.chip-dip.ru/about/235/140616.aspx)
кто решится разориться?
-
Нафига гнаться за мизерным тепловыделением? Тут проблемка простая. Сопротивление канала, несмотря на все потуги, к нулю только стремится. Т.е. все равно эта бодяга будет греться. Нужно использовать единственный плюс, который у нас есть - скорость переключения (по меркам электроники) просто мизерная. Поэтому пофиг на входные емкости, пускай собираются до неприличных величин. А если емкости не важны, можно параллелить корпуса. Это дает сразу 2 преимущества: уменьшается общее сопротивление и увеличивается эффективность теплоотвода. Так что лучше взять десяток рядовых транзисторов по 30 рублей штука, чем искать всякие топовые параметры. И конечно не стоит забывать про сопротивление монтажа и тепловое сопротивление корпусов. Практика показывает, что один TO220 корпус - это ампер 50, дальше начинаются проблемы. Про всякие SMD я вообще молчу.
-
китайнама спасет мир :)
http://forums.drom.ru/1086401604-post270.html (http://forums.drom.ru/1086401604-post270.html)
-
Я вопрос то задал не с проста у мя есть три теристора ампер по 700 держат хотел на сварку как выпрямитель применить! Вот и ломал голову как приспособить. :)
-
Тиристоры с диодами не путаете?
-
Чтоб диод получился цепляем к управлению диодик и сопротивление и всегда открытый :)
-
Ню вот одни нашел, ток 250А. Где то еще были те вроде помощней. :)
-
Обсуждение китайских лебедок здесь http://irkutsk-4x4.ru/index.php?topic=6312.0 (http://irkutsk-4x4.ru/index.php?topic=6312.0)
-
Установил чугунный клюз. Чтобы трос не цеплял бампер при винчевании под большими углами, сделал из квадратного отверстия в бампере вот такенную улыбку:
Кроме того переделал крепление розетки для проводного пульта. У нее отвалились уши. Это при том, что розеткой не пользовались, было достаточно радиопульта. Видимо, зацепили тросом и ей этого хватило
-
Хочу предостеречь коллег, решивших самостоятельно установить лебедку.
При переносе куда-либо блока соленоидов очень внимательно выбирайте маршрут прокладки кабелей. Мой самый длинный кабель «+» от размыкателя до блока прошел ниже аккумулятора рядом с какой-то трубочкой, вероятнее всего кондиционерной. Трубочка оказалась настолько горячая, что пережгла изоляцию на 35-м сварочном кабеле :wacko2: и провод при подключении лебедки коротил на эту трубочку. Причем делал это абсолютно незаметно . Нашел я его случайно, когда половина жил уже отсутствовала :wall:
Кабель пришлось укоротить на 150мм, переобжать наконечник и перепроложить по новому маршруту, выше злополучной трубочки.
-
при установке на стороне эти вещи тоже надо проверять
я этот кабель в гофру убирал
-
при установке на стороне эти вещи тоже надо проверять
я этот кабель в гофру убирал
Если сгорела резиновая изоляция в палец толщиной, то гофре тоже пришлось бы несладко :pardon:
-
вывод-кондиционер зло :)
-
Седня провел эксперимент по использованию теристоров в качестве пускателя результат не удовлетворительный! Вкачестве макета использовались аккумулятор, моторчик от дворников и теристоры 202 серии с разными буквами. При подаче напряжения на управляющий электрод теристор открывается соответственно мотор работает, но вот при подаче на управляющий электрод напрящения обратной полярности теристор не закрывает т. е. не выключается! Буду думать далее. Насчет сколхозить лебедку с укладчиком троса в несколько слоев - теоритически изобретено, расчеты пока не проводил, надо бы попробовать сделать если у кого есть желание и есть возможности подсказывайте! :slavik:
-
Насчет сколхозить лебедку с укладчиком троса в несколько слоев - теоритически изобретено, расчеты пока не проводил, надо бы попробовать сделать если у кого есть желание и есть возможности подсказывайте! :slavik:
Взять за основу конструкцию спиннинговой катушки - мультипликатора %)
-
Взять за основу конструкцию спиннинговой катушки - мультипликатора %)
А две - три тонны с боку утянет?? Я хотю укладчик на оси с резьбой посадить!
-
При подаче напряжения на управляющий электрод теристор открывается соответственно мотор работает, но вот при подаче на управляющий электрод напрящения обратной полярности теристор не закрывает т. е. не выключается!
А ты собственно чего ждал? Где-то этот вопрос уже обсуждали, все именно так и должно быть.
-
А ты собственно чего ждал? Где-то этот вопрос уже обсуждали, все именно так и должно быть.
С лампочками это работало, вот и попробовал, надо на транзисторах испытать.
-
С лампочками это могло работать только на переменном токе. С транзисторами тоже не все так просто, как кажется на первый взгляд.
-
Произвел легкую модернизацию площадки второго аккумулятора. Меня смущала ее недостаточная устойчивость. Кроме того, решил переделать держатели предохранителей, которых уже скопилось достаточно много. Еще замаячила на горизонте идея перехода но новый тип силовых реле-выключателей для лебедки и системы зарядки второго аккумулятора. В связи с этим сразу сделал для них площадку.
Долго кроил, потом быстро сделал вот такую мандулу:
Прикрутил к ней кусок текстолита, за который спасибо lexa38rus:
И установил на место:
Сделал еще одну мандулу:
Приклепал ее к площадке:
Площадку поставил на место:
Получилась замкнутая конструкция, очень жесткая и достаточно легкая.
На текстолитовую площадку пока вернул выключатель СОАТЭ 1300.3737, размыкающий плюс лебедки:
Кстати, этот выключатель скоро пойдет с молотка вместе с кронштейном, заточенным специально для TLC 70 серии как с одним, так и с двумя аккумуляторами:
-
Грамотно соорудил. Руки от куда надо. А чем СОАТЭ не устроил? Сегодня хотел ехать брать...
-
Вот результат использования со стальным тросом чугунного клюза от лебедок СПРУТ:
С этим клюзом лебедка интенсивно использовалась только на двух больших мероприятиях: на ОриентирОФФке 2010 и первом этапе БайкалТрофи 2011.
Дефекты не сказывались на работе лебедки. И, что самое главное, не закусывался трос, как было на изношенных за одну гонку роликах.
Пока поставил такой же новый. Следующий этап – синтетика и алюминиевый клюз.
-
Вот результат использования со стальным тросом чугунного клюза от лебедок СПРУТ:
У меня такой же в итоге не просто протачился, а лопнул... :pardon:
-
У меня такой же в итоге не просто протачился, а лопнул... :pardon:
У меня бы тоже лопнул, но я его несколько раз болгаркой ровнял, напряжения снимал.
Кстати, проточенный могу кому-нибудь подарить. Если его перевернуть, то можно юзать дальше как новый :mosking: . Самовывоз :blush: .
-
Выкладываю продолжение отчета об установке китайской лебедки (ноунэйм не с развала, от проверенного поставщика) спустя два сезона эксплуатации.
С зимы пару месяцев проездил с тросом на рогах: отказала смотка. Причем отказала удачно. Дала отработать, а при попытке уложить трос на барабан отказалась принимать в этом участие.
Поскольку при команде на смотку отсутствовали характерные щелчки в блоке, подумал на соленоид. Выменял у DMetrey’я на термос пару б/у соленоидов. Вскрыл блок соленоидов:
Все контакты окислены, но при внешнем креплении блока бывает намного хуже.
Выводы после вскрытия:
1. Место для соленоидов выбрано удачно, но конструкцию самого блока необходимо было разрабатывать исходя из расположения. Если собранный блок туда воткнуть было не сложно, то снять крышку и раскрутить контакты прямо на месте хуже, чем оперировать гланды через задницу.
2. Герметизировать блок было абсолютно бессмысленно: сырость нашла себе дырочку. Лучше было бы оставить соленоиды вообще открытыми, но без крышки не обойтись: нужно спрятать контакты от возможного КЗ.
Проверка соленоида напрямую показала, что он цел. Дима, ты к термосу уже успел привыкнуть?
Перебрал контакты, некоторые перепаял. Смазал смазкой LIQUI MOLY Batterie-Pol-Fett для электроконтактов.
Сварочные провода в месте касания с гофрой от фильтра к турбине протерлись до меди:
Причем самой гофре – хоть бы хны…
Отремонтировал изоляцию термоусадкой:
Лебедка заработала.
Решил проревизировать внутреннее состояние спустя два сезона.
Разобрал:
Редуктор в идеале:
Никаких следов износа на зубьях, смазка какая была, такая и осталась. На ступени, ближней к сальнику, смазка, конечно, вперемешку с грязью.
Эксплуатация, конечно, не была самой жесткой. Но лебедка честно оттаскала на себе Прадика МайОФФку и ОриентирОФФку в 2010г. До десятка раз пользовалась за сезон. Частенько хапала лужи и броды.
Думаю, что сказалась предварительная обработка после покупки: были загерметизированы все дырочки-щелочки. Под герметиком были болтики как новые!
Мотор сухой, щетки в порядке:
Грязь - только пыль от щеток:
Промыл мотор, смазал циатимом для электроустановок. Внутри вала и местами в редукторе поменял смазку, местами добавил. Смазку использовал ту же, что и при первичной переборке: Castrol MS3 Grease . Ее состояние после двух с половиной лет вполне удовлетворительное.
Собрал:
Сделал для себя вывод: нафига я в нее полез? Она и без этого еще бы нормально ходила.
-
Сегодня снова переложил плюсовой кабель. Он, зараза, всё равно нашел себе уголок и протерся до меди:
Отремонтировал двумя слоями термоусадки:
На новом маршруте прокладки попытался избежать любых негладких поверхностей.
Сделал для себя вывод, что изоляция сварочных кабелей очень нежна в условиях вибраций. При легком касании даже о гладкую и даже нетвердую поверхность резина быстро истирается. Крепить ее нужно жестко и как можно чаще.
Удивил звук перебранной лебедки: нет прежнего истошного визга. Может первый раз неудачно собрал, может иллюзия, а может сейчас неправильно собрал %)
Ждем'с :lazy:
-
а в гофру кабель убрать?
-
при установке на стороне эти вещи тоже надо проверять
я этот кабель в гофру убирал
Если сгорела резиновая изоляция в палец толщиной, то гофре тоже пришлось бы несладко :pardon:
а в гофру кабель убрать?
Видимо, придется свое мнение поменять. Пока проложил по гладкому маршруту и закрепил почаще. Когда руки дойдут до установки Grunner'ов и моносоленоида, снова всё переложу.
Провод видимо сделаю короче. Перенесу соленоид на место омывателя фар. Решился я всё же ликвидировать его, а то работает, но стоит без дела :sarcastic_hand:
-
а в гофру кабель убрать?
Если и гофру как следует не отбортовать, то и ее постигнет та же участь, что и изолацию... у меня так было.
-
понятно что гофра тоже трется
штатная проводка вся в гофре идет, наверно японцы не просто так ее убирают
-
понятно что гофра тоже трется
штатная проводка вся в гофре идет, наверно японцы не просто так ее убирают
в любом случае гофру тоже надо бортовать иначе ее надолго не хватит.
-
в любом случае гофру тоже надо бортовать иначе ее надолго не хватит.
Как гофру бортовать?
-
Как гофру бортовать?
Да так же, стяжками...
-
Лех, а я сварочные провода укладывал не в гофру, а в поливочный шланг (просто шланг был под рукой, а гофры не было :) ). Несмотря на то, что они лежат на остром (проложены рядом с фарой в ее отверстие в телевизоре), за полтора года не перетерлись
-
Затестил сегодня лебедку после переборки. Во дворе натянул из сугроба новенький Мерседес. Работает %) . И звук гораздо приятнее, чем был :)
-
Очень здорово когда человек "с руками и головой" ещё и отчётом качественным запаривается, таким надо памятники ставить. Я обычно поделками увлекаюсь на столько, что забываю про фото вообще и напрочь :(
Еще одно спасибо Алексею и от меня, когда-то наверное таки пригодится столь полезная информация :)
Кстати какашную изоляцию сварочных проводов тоже в своё время хорошо затестил, были из него провода для переноса аккумулятора на гонку в салон. По этому поводу в особо опасных местах использовал даже не гофру, а гофрорукав(металлический) на тот момент он себя очень хорошо показал, причём в эстетическом плане возможно даже и приятнее будет, т.к. он есть подешевле просто слегка шероховатая оцинковка и подороже красивый и блестящий, как полированая нержавейка :)
Алексей, если вдруг будет желание где затестить, у меня в гараже лежит немного как раз блестящего ;)
-
Алексей, если вдруг будет желание где затестить, у меня в гараже лежит немного как раз блестящего ;)
Давай затестим. Как раз на днях перекладывать всё буду.
-
Давай затестим. Как раз на днях перекладывать всё буду.
Ок, созвонимся :)
-
Избыточно. Хватает пластиковой разрезанной гофры. Кстати сварочные провода как показала практика достаточно говённая вещь. На 105-ке для подключения задней лебёдки тянул КГХл 50кв-мм, год прошёл намёков на перетираемость никаких. Но себе положил бы что-нибудь в полихлорвиниловой оплётке.
-
Избыточно. Хватает пластиковой разрезанной гофры. Кстати сварочные провода как показала практика достаточно говённая вещь. На 105-ке для подключения задней лебёдки тянул КГХл 50кв-мм, год прошёл намёков на перетираемость никаких. Но себе положил бы что-нибудь в полихлорвиниловой оплётке.
На острых кромках гофру так же режет вибрацией, проверено, обычно на острую кромку одеваю разрезаный шланг, при надобности фиксирую пластиковой стяжкой.
Эххх... Нет теперь 403-го завода, там столько хороших проводочков было :(
-
Продолжение.
Китайское изделие четвертый год безотказно на меня пашет. Намедни, случайно попал в поездку на Большие коты. Также случайно моя машина оказалась наиболее подготовленной и тащила на китайской лебедке поочередно пять других машин в обе стороны. Всё как обычно, никаких признаков скорой гибели.
А на следующий же день ехал с семьей на посвящение, ну и решил супругу приобщить к вождению. Долго ждать не пришлось, попадаем вот в такую ситуацию:
Лебедка на первой потяжке говорит «Кря!». Мотор маслает, барабан не едет. Благо Самоделкин рядом. А с ним можно ехать хоть вообще без колес %)
Мысленно уже простился с четвертью сотен тысяч рублей на покупку нового КомАпа. Сделать это было просто, т.к. денег все равно нет.
Сегодня демонтировал труп:
А он оказался вовсе и не труп :pardon: . Клиническая смерть. Тормоз внутри барабана собран из трех деталей тремя имбусовыми болтами М5 х 50. Так вот он полностью разобрался и выпал из барабана по частям:
Как это произошло, и почему до полного разбора тормоза лебедка работала нормально, мне не понять.
На всякий случай разобрал редуктор. В нем было грамм 50 воды:
Но в целом он в идеальном состоянии:
Хорошо, что есть теперь в Иркутске Крепмартет. Имбусовые болты всех размеров. Хочешь черные, хочешь нержавеющие. Купил болты, собрал тормоз:
Собрал лебедку, а она взяла да заработала :wacko2: :
Собрал, как было:
Блин, опять я не куплю КомАп :wall:
-
я так и думал :)
не избавишься от неё вообще теперь %)